Sign In | Join Free | My wpc-board.com
China Shenzhen Hongxinwei Technology Co., Ltd logo
Shenzhen Hongxinwei Technology Co., Ltd
Shenzhen Hongxinwei Technology Co., Ltd To adopt new technology,to produce products of quality,to offer high-class service.
Site Member

7 Years

Home > IGBT Module >

FF400R07KE4 IGBT Modules 400A 650V High Short Circuit Capability

Shenzhen Hongxinwei Technology Co., Ltd
Contact Now

FF400R07KE4 IGBT Modules 400A 650V High Short Circuit Capability

  • 1
  • 2
  • 3

Brand Name : Infineon Technologies

Model Number : FF400R07KE4

Certification : Rohs

Place of Origin : HUNGARY

MOQ : 1PCS

Price : Negotiation

Payment Terms : T/T, Western Union

Supply Ability : 350PCS STOCK

Delivery Time : 3-5DAYS

Packaging Details : 10PCS/BOX

Product Name : IGBT Module

Module No. : FF400R07KE4

Peak Repetitive Reverse : 100-1600V

Peak Non-Repetitive : 400-2600V

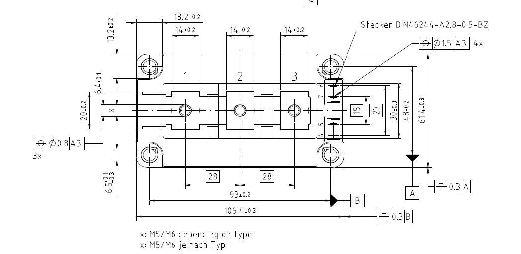
Dimensions : 106.4*61.4*30.5mm

Mean On-State Current : 100A~2000A

Contact Now

FF400R07KE4 IGBT Modules IGBT Module 400A 650V

62mm C-Serien Modul mit Trench/Feldstopp IGBT4 und Emitter Controlled Diode
62mm C-Series module with trench/fieldstop IGBT4 and Emitter Controlled Diode
VCES = 650V
IC nom = 400A / ICRM = 800A
Typische Anwendungen Typical Applications
• Hochleistungsumrichter • High Power Converters
• Motorantriebe • Motor Drives
• USV-Systeme • UPS Systems
Elektrische Eigenschaften Electrical Features
• Erhöhte Sperrspannungsfestigkeit auf 650V • Increased blocking voltage capability to 650V
• Erweiterte Sperrschichttemperatur Tvj op • Extended Operation Temperature Tvj op
• Hohe Kurzschlussrobustheit, selbstlimitierender •
Kurzschlussstrom
High Short Circuit Capability, Self Limiting Short
Circuit Current
Mechanische Eigenschaften Mechanical Features
• 2,5 kV AC 1min Isolationsfestigkeit • 2.5 kV AC 1min Insulation
• Gehäuse mit CTI > 400 • Package with CTI > 400
• Große Luft- und Kriechstrecken • High Creepage and Clearance Distances
• Isolierte Bodenplatte • Isolated Base Plate
• Standardgehäuse • Standard Housing

FF400R07KE4 IGBT Modules 400A 650V High Short Circuit Capability

FF400R07KE4 IGBT Modules 400A 650V High Short Circuit Capability

FF400R07KE4 IGBT Modules 400A 650V High Short Circuit Capability

FF400R07KE4 IGBT Modules 400A 650V High Short Circuit Capability

Q1. What is your terms of packing?

A: Generally, we pack our goods in neutral white boxes and brown cartons. If you have legally registered patent, we can pack the goods in your branded boxes after getting your authorization letters.

Q2. What is your MOQ?

A: We provide you small MOQ for each item, it depends your specific order!

Q3. Do you test or check all your goods before delivery?

A: Yes, we have 100% test and check all goods before delivery.

Q4: How do you make our business long-term and good relationship?

We keep good quality and competitive price to ensure our customers benefit ;

We respect every customer as our friend and we sincerely do business and make friends with them,It's not something that can be replaced.

Q5: How to contact us?
A: Send your inquiry details in the below,Click "Send"Now!!!


Product Tags:

igbt driver module

      

intelligent power module

      
Wholesale FF400R07KE4 IGBT Modules 400A 650V High Short Circuit Capability from china suppliers

FF400R07KE4 IGBT Modules 400A 650V High Short Circuit Capability Images

Inquiry Cart 0
Send your message to this supplier
 
*From:
*To: Shenzhen Hongxinwei Technology Co., Ltd
*Subject:
*Message:
Characters Remaining: (0/3000)